
The STM8S103F3P6 je 8-bitni mikrokontroler proizveden od strane stmicroelektronika, renomiran po impresivnoj funkcionalnosti i bešavne integracije.Ovaj kompaktni uređaj opremljen je u prizemlju postavljenim na površini (SMD), koji utjelovljuje napredne jezgre i periferne uređaje koji se pažljivo proizvede pomoću vrhunske tehnologije.Sa satom frekvencije od 16 MHz, STM8S103F3P6 se može pohvaliti robusnim I / O mogućnošću, osiguravajući efikasnu obradu podataka i rukovanje.Njegov neovisni tajmer za sat, opremljen samostalnim izvorom sata i sigurnosnom sistemu sata, garantuje optimalne performanse uređaja i otpornost na potencijalne poremećaje.
Jedna od njegovih karakteristika sa sopstvenom karakteristike je njegova flash memorija koja pruža nehlapljivu pohranu za kod i podatke.Sa rasponom radnog napona koji se proteže sa 2,95 V do 5,5 V, ovaj mikrokontroler je vrlo svestran i prilagodljiv različitim aplikacijama.Uz to, nudi širok raspon radne temperature od -40 ° C do 85 ° C, što ga čini pogodnim za raspoređivanje u različitim uvjetima okoliša.
• MSP430G2353
• pic16lf18444t
• STM8S103F3P3
• STM8S103F3P3TR
• STM8S103F3P6TR


Mala potrošnja energije: Ima razne načine potrošnje niske energije za odabir, uključujući režim praznog hoda, stanje mirovanja, režim mirovanja, režim dubokog sna i isključivanje, koji ne može efikasno produžiti trajanje baterije i uštedjeti energiju.
Visoke performanse: prihvaća visoke performanse CORE arhitekture STM8, što omogućava radnoj frekvenciji da bude visoka kao 16MHz, što uvelike poboljšava brzinu izvršenja poduke i pruža efikasnije računarske mogućnosti za naše aplikacije.
Višestruki komunikacijski sučelja: Podržava različite komunikacijske sučelje, uključujući SPI (serijski periferni sučelje), I2C i UART.Kroz ova sučelja može lako komunicirati i komunicirati s vanjskim uređajima za postizanje više funkcija i aplikacija.
Obuhvatna periferija: Mikrokontroler STM8S103F3P6 ima obilne periferne resurse, uključujući 16kb flash memorije i 1KB RAM memorije, kao i najčešće korištene sučelje, tajmeri i uart.Raznolikost ovih perifernih pravila čini uređaj pogodan za različite scenarije aplikacija i može udovoljiti potrebama različitih polja i industrija.Bilo da se radi o industrijskoj kontroli, pametnom domu ili ugrađenim sistemima, STM8S103F3P6 može pružiti podršku.

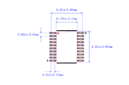
STM8S103F3P6 je upakovan u tanki skupni malim obrisnim paketu (TSSOP) i ima 20 igla.Razmak tijela i vode manji su od standardnih sočnih paketa.Tipična karakteristika TSSOP-a je formiranje igle oko pakiranog čipa, što ga čini pogodnim za ugradnju ožičenja na PCB-u pomoću SMT tehnologije.Kada koristite TSSOP paket, parazitski parametri (poremećaj izlaznog napona uzrokovane velikim promjenama u trenutnoj) manji su, tako da je pogodan za visokofrekventne aplikacije.Ova vrsta paketa prikladnija je za rad i ima veću pouzdanost.
TSSOP paket ima sljedeće funkcije:
• Mali razmak za igle: Razmak za iglu je uglavnom 0,5 mm ili 0,65 mm.Kroz dizajn bakrenih bara za bakrene šipke, više se uređaja može postaviti na ploči s istim područjem i veličinom.
• Široki opseg primjene: Može se primijeniti na različita polja aplikacija kao što su mikrokontroleri, DSP-ovi, memorijski čipovi i čips za napajanje.
• Broj visokog igle: Broj igle je uglavnom oko 20 do 64, što može udovoljiti određenim zahtjevima za integraciju čipa.
• Mala veličina paketa: U usporedbi sa običnim malim obrisom (SO) paketima, njegova veličina paketa je manja, debljina je tanja, a zapremina je manja, čineći ga pogodnim za pakiranje integriranih krugova visoke gustoće.
• Visoke performanse: prihvaća tehnologiju površinske montiranje, ima dobru provodljivost i otpornost na koroziju i mogu ispuniti posebne zahtjeve poput velike brzine, visoke frekvencije, minijaturizacije i tako dalje.
Ako nije drugačije navedeno, svi naponi se pozivaju na VSS.
Minimalne i maksimalne vrijednosti zagarantovane su u najpovoljnijim uvjetima, obuhvaćajući temperaturu okoline, napon napajanja i frekvencije.Ove garancije su uspostavljene kroz stroge proizvodne testove izvedene na 100% uređaja, sprovedenim na okolnoj temperaturi ta = 25 ° C i ta = tamax (kako je definirano odabranim temperaturnim opsegom).
Vrijednosti temeljene na rezultatima karakterizacije, simulacijama dizajna i / ili tehnološkim karakteristikama navedene su u fusnotama tablice i nisu pretrpjeli testiranje proizvodnje.Što se tiče karakterizacije, minimalne i maksimalne vrijednosti odnose se na procjene uzoraka i označavaju srednju vrijednost s nizom plus ili minus tri puta više od standardnog odstupanja (srednja ± 3σ).
Osim ako se izričito ne navede u suprotnom, standardni podaci su uspostavljeni s TA = 25 ° C, VDD = 5 V. Ove vrijednosti se pružaju isključivo kao dizajnerski referenci i nemaju pretrpane testiranje.
Tipična tačnost ADC vrijednosti utvrđena je karakterizacijom skupa uzoraka iz standardne difuzijske grupe preko kompletnog raspona temperature.U tom kontekstu, 95% uređaja pokazuje grešku unutar navedene vrijednosti (srednja ± 2σ).
Osim ako je posebno naznačeno, svi standardni grafikoni namijenjeni su isključivo kao reference dizajna i nisu bili podložni testiranju.
Prekoračenje navedenih apsolutnih maksimalnih ocjena može rezultirati trajnim oštećenjem uređaja.Ove ocjene isključivo ukazuju na ograničenja stresa da uređaj može izdržati, a ne podrazumijeva se da će uređaj pravilno funkcionirati pod ovim uvjetima.Izloženost uvjetima na ili u blizini maksimalne ocjene može negativno utjecati na pouzdanost uređaja.
Profil misije uređaja, koji opisuje njegove uslove primjene, pridržava se kvalifikacijskog standarda Jedec JesD47, a prošireni profili misije dostupnim na zahtjev.
Da bi se postigla stabilnost primarnog regulatora, na VCAP PIN bi trebao biti povezan vanjski kondenzator koji označava CEXX.Važno je osigurati da induktivnost serije ostane ispod 15 nh.
Trenutna potrošnja mjeri se kao što je prikazano na sljedećoj slici.

Ukupna potrošnja struje opskrbe u režimu rada
MCU je stavljen pod sledeći uslovi:
• Sva periferija su onemogućena (sat se zaustavio perifernim registrima za satu), osim ako se izričito spominje.
• Svi I / O igle u režimu unosa sa statičkom vrijednošću na VDD ili VSS (bez opterećenja)
Podložno općim radnim uslovima za VDD i TA.

STM8S103F3P6 ima 20 igla, njena imena i funkcije su sljedeće:
PIN1 (PD4 / zvučni signal / tim2_ CH1 / UART1 _ck): Port D4
PIN2 (PD5 / AIN5 / UART1 _TX): Port D5
PIN3 (PD6 / AIN6 / UART1 _RX): Port D6
PIN4 (Nrst): resetiranje
PIN5 (PA1 / Oscin): Port A1
PIN6 (PA2 / OSCOUT): Port A2
PIN7 (VSS): Digitalni tlo
PIN8 (VCAP): 1.8 V CONSACITOR regulator
PIN9 (VDD): Digitalno napajanje
PIN10 (PA3 / tim2_ CH3 [SPI_ NSS]): Port A3
PIN11 (PB5 / I2C_ SDA [Tim1_ Bkin]): Port B5
PIN12 (PB4 / I2C_ SCL): Port B4
PIN13 (PC3 / tim1_ch3 [TLI] [Tim1_ CH1N]): Port C3
PIN14 (PC4 / CLK_CCO / TIM1_ CH4 / AIN2 / [Tim1_ CH2N]): Port C4
PIN15 (PC5 / SPI_SCK [Tim2_ CH1]): Port C5
PIN16 (PC6 / Spi_MOSI [Tim1_ CH1]): Port C6
PIN17 (PC7 / spi_miso [Tim1_ CH2]): Port C7
PIN18 (PD1 / Swim): Port D1
PIN19 (PD2 / AIN3 / [Tim2_ CH3]): Port D2
PIN20 (PD3 / AIN4 / Tim2_ CH2 / ADC_ ETR): Port D3
Kao što je prikazano na gornjoj slici, Chip STM8S103F3P6 ima do 16 I / O iglica, koji se mogu koristiti za različite svrhe, poput GPIO, perifernih sučelja, ADC, itd.Koristi se kao ulazne igle za čitanje vanjskih signala ili kao izlazne igle za slanje signala na vanjske uređaje.Pored toga, svaki I / O PIN može biti nezavisno dodijeljen vektoru prekida kako bi se olakšala precizna obrada prekida kada se pojave.
• Sistemi za automatizaciju: Ovaj mikrokontroler može se koristiti u sistemima za automatizaciju poput električnih zavjesa, sustava za kontrolu pristupa, kontrola temperature i kontrole rasvjete.
• IOT (Internet stvari) Primjena: Ako trebamo razviti IOT uređaje, može se koristiti kao kontroler za IOT čvorove za povezivanje i kontrolu različitih senzora i komunikacijskih modula.
• Osobni elektronički uređaji: Koristi se u digitalnim fotoaparatima, MP3 i MP4 igračima, elektroničke igarske konzole itd.
• Elektronska oprema: koristi se za razvoj razne elektroničke opreme
, kao što su elektroničke igračke, daljinski upravljači, mini kalkulatori itd.
• Industrijsko polje: Koristi se u PLC-u, industrijskim kontrolerima, automatizaciji procesa i automatsku opremu za automatsku kontrolu itd.
• Sučelje za prikupljanje i senzor podataka: Koristi se za praćenje uvjeti okoliša i prikupljanje podataka ili povezivanje različitih senzora poput senzora svjetlosti, senzori temperature i senzori vlage.
• Ugrađeni sustav upravljanja: Koristi se za dizajn različitih ugrađenih upravljačkih sistema, poput kućanskih aparata, industrijske opreme, električnih alata itd. Njegova 8-bitna snaga obrade dovoljna je za mnoge jednostavne kontrolne zadatke.
STM8S103F3P6 je mikrokontroler čip koji je razvio stmicroelektronika.Pripada porodici STM8 od 8-bitnih mikrokontrolera i široko se koristi u različitim ugrađenim sistemima i IOT aplikacijama.
STM8S103F3P6 Microkontrolleer jedinica ima 640-bitni ROM, 10-bitni 5-kanalni ADC, 1KB RAM-a i programskim memorijom veličine 8kb.
Možemo zamijeniti STM8S103F3P6 s MSP430G2353, PIC16LF18444T, STM8S103F3P3, STM8S103F3P3TR ili STM8S103F3P6TR.
Da, STM8S103F3P6 dizajniran je sa značajkama sa malim napajanjem i može se koristiti u aplikacijama za napajanje baterije ili niske snage u kojima je energetska efikasnost neophodna.
Neke ključne karakteristike STM8S103F3P6 uključuju GPIO (ulaz / izlaz opće namjene), UART (univerzalni asinhroni prijemnik / predajnik) komunikacija, I2C (međuintegrirani krug) komunikacija, SPI (serijska periferna sučelja) komunikacija, tajmeri i još mnogo toga.
O NAMA
Zadovoljstvo kupaca svaki put.Međusobno poverenje i zajednički interesi.
Tehničke specifikacije ćelija litijumske kovanice CR2354
2024-08-02
Sveobuhvatni vodič za ATMEGA328-PU mikrokontroler
2024-08-02
Email: Info@ariat-tech.comHK TEL: +852 30501966DODATI: Rm 2703 27F Ho King Comm Center 2-16,
Fa Yuen St MongKok Kowloon, Hong Kong.